
Lowara NSCS 100-250/110/P45VCC4 Horizontal End Suction Pump 4 Pole 400v
BEST ONLINE PRICES
FREEPHONE 0800 112 3134 if you've seen it cheaper.
Lowara NSCS 100-250/110/P45VCC4 Horizontal End Suction Pump 4 Pole 400v - 703740901
Lowara's replacement to the FHE/FHS series
By combining high efficiency with high flexibility regarding installation, material options and temperature, the new Lowara e-NSC series is the natural choice for water transport, hydronic heating and chiller systems, fire protection systems and a vast number of industrial applications.
The e-NSC series are centrifugal, end suction pumps suitable for many applications that require constant or variable duty points in a cost saving operation. The pumps are equipped with interchangeable mechanical seals, IE3 efficiency motors, and are designed with a back pull-out configuration, which means the impeller, adapter and motor can be extracted without disconnecting the pump body from the piping system.
Some suitable applications include: process cooling/heating, air conditioning and ventilation systems, water supply, pressure boosting, irrigation and fire fighting.
The e-NSC pumps are available in the following constructions:
- Extended shaft (models listed on website)
- Stub shaft (available on request)
- Bare shaft (available on request)
- Frame mounted (available on request)
Specifications
- Delivery: up to 1800 m³/h
- Head: up to 160 m
- Power supply: three-phase 50 and 60 Hz
- Power: from 0,25 kW up to 355 kW
- Maximum operating pressure: 16 bar
- Temperature of pumped liquid: from -25°C to +140°C
- Extended temperature versions from -40°C to +180°C
Materials
- Pump Body: Cast Iron
- Impeller: AISI 316L Stainless Steel
- Mechanical seal: carbon/silicon carbide/EPDM*
*standard version - Other seal materials available upon request
| SKU | 703740901 |
|---|---|
| Manufacturers | Lowara |
| Manufacturers Warranty | 2 Years |
| Weight | 177.0 Kg |
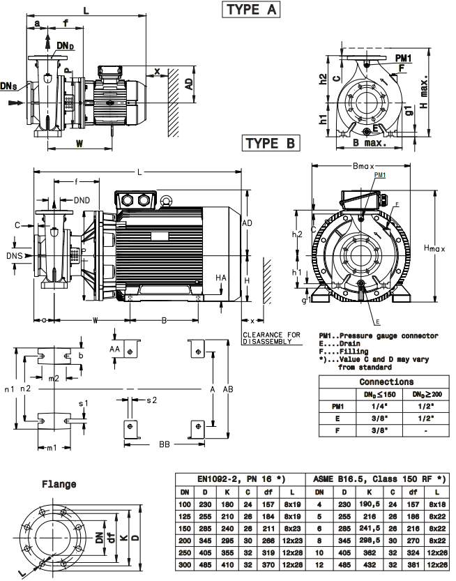
| Dimensions | 431mm (l) x 505mm (h) x 874mm (w) |
| Inlet Dimension | 125mm Flanged |
| Discharge Dimension | 100mm Flanged |
| Motor Size | 11kW |
| Voltage | 415V 3Ph 50Hz |
| RPM | 1450rpm |
| Max Flow | 220m3/hr |
| Max Head | 22m |
| Max Temperature | 140°C |
| Material | Cast Iron |
| Seal Type | Carbon/Silicon carbide/EPDM |
| Impeller Material | AISI 316L Stainless Steel |
Delivery
We offer free standard delivery to any UK address on a 3-5 working day delivery time on all orders over the value of £60 + vat. This is not weight restricted
Next day delivery is charged at £8.50 + vat for items under 35kgs. Orders need to be placed before 5pm Mon-Thurs or 4:30 on Friday for guaranteed Next Day Delivery.
Next day delivery is not avaialble for UK Highlands and Islands. Please click the following link to view postcodes/areas that don't qualify for next day delivery.
Due to some product specifications, there may be a lead time of up to 4 weeks. This is only on a small number of products and you will be contacted upon purchase and entitled to a full refund if required.
For Items over 35kgs, please review our delivery charges here
For full delivery terms please click here
International Delivery
Please click here to view International delivery rates.
If you want your order delivered to a remote area please contact our one of our Sales Representatives on 0800 112 3134 before placing your order and we will assist you further.
Returns
Unused, unaltered items may be returned at the buyers expense for credit upon Online Pump Supplies prior written consent and upon the terms specified by Online Pump Supplies. The buyer assumes all risk of loss of such returned goods until actual receipt and acceptance by Online Pump Supplies. Please click here to view Returns information.


















